Hampton Controls
Hampton Controls
Industrial Controls Divsion
Products by Category
Temperature & Process Controllers
Recorders
Flow Meters
Electric Process Heaters
Thermocouples & RTD's
Motor Drives & Motors
Hot Runner Mold Temperature Control Systems
Counters, Timers, Encoders & Power Supplies
Proximity Sensors
Relays & Contactors
Pushbuttons & Switches
Repair & Calibration
 
Electro Optics Division
 
Overview
Capabilities
Portfolio
 

Permanent Magnet DC Motor 600CH Series

 

 

Our SCR rated DC Motors are rugged, consistently reliable and efficient. They are designed for use with our own and other SCR controls. These motors provide economical solutions to a broad range of industrial and commercial applications.

  • NEMA 56C
  • Continuous Duty
  • Constant Torque
  • Class F insulation
  • 40 Degree C Ambient
  • Ball Bearings
  • Removable Base
  • TENV and TEFC Designs
  • RU US symbol File No. E 50504
  • SA symbol File No. LR87989

 

 

 

600CH Series Product Image

 
 

 

Selection
HP Model Number RPM DC Voltage FL Amps Torque
(lb-in)
Frame Enclosure Shipping Weight (Lbs)
1/4 S600CH 1750 90 2.9 9 56C TENV 20
1/3 S601CH 1750 90 3.7 12 56C TEFC 20
1/2 S602CH 1750 90 5.4 18 56C TENV 23
1/2 S604CH 1750 90 5.4 18 56C TEFC 23
3/4 S608CH 1750 90 7.9 27 56C TEFC 29
1 S609CH 1750 90 10.4 36 56C TEFC 32
1.5 S610CH 1750 90 15.6 54 145TC TEFC 48
2 S611CH 1750 90 20.2 72 145TC TEFC 53
1/4 S625CH 1750 180 1.5 9 56C TEFC 20
1/3 S626CH 1750 180 1.9 12 56C TEFC 20
1/2 S629CH 1750 180 2.7 18 56C TEFC 23
3/4 S633CH 1750 180 4.0 27 56C TEFC 29
1 S634CH 1750 180 5.2 36 56C TEFC 32
1.5 S635CH 1750 180 7.8 54 145TC TEFC 43
1.5 S636CH 1750 180 7.8 54 145TC TEFC 45
2 S637CH 1750 180 10.1 72 145TC TEFC 53
3 S3280CH 1750 180 15.3 108 145TC TEFC 71

 

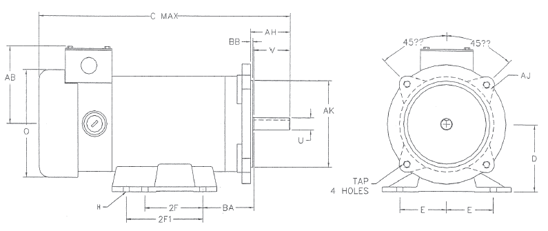
600CH Series Dimensions

600CH Series Dimensions Diagram



Home | Overview | Capabilities | Contact Us | Site Map

Hampton Controls, Inc.
Wendel Road • P.O. Box 187
Wendel, PA 15691
Phone: (724) 861-0150 • Fax: (724) 861-0160
sales@hamptoncontrols.comwww.hamptoncontrols.com

Copyright © Hampton Controls, 2005. All Rights Reserved.