Hampton Controls
Hampton Controls
Industrial Controls Divsion
Products by Category
Temperature & Process Controllers
Recorders
Flow Meters
Electric Process Heaters
Thermocouples & RTD's
Motor Drives & Motors
Hot Runner Mold Temperature Control Systems
Counters, Timers, Encoders & Power Supplies
Proximity Sensors
Relays & Contactors
Pushbuttons & Switches
Repair & Calibration
 
Electro Optics Division
 
Overview
Capabilities
Portfolio
 
Thermocouples and RTD's
Adjustable Depth Thermocouples
BA100 BA101
Ordering Information
 

-
-
Design Number   Termnation Number
(Table 1)
  "A" Dimensions

Fixed Bayonet Thermocouples
BF100 BF145 BF190
Ordering Information
 

-
-
-
Design Number   Termnation Number (Table 1)   "L" Dimensions   "A" Dimensions

Compression Fitting Thermocouples
CF100 CF145 CF190
Ordering Information
 

-
-
-
Design Number   Termnation Number (Table 1)   "L" Dimensions   "A" Dimensions

Table 1: Termination Options
Type 1 Type 2 Type 3 Type 4

Melt Bolt Thermocouple
Melt Bolts are designed for dependable temperature measurement of the plastic melt stream in extruders and injection molding equipment. Standard assemblies are supplied with mineral insulated sensing element for extended pressure and temperature performance. Optional thermal barriers of Teflon (500° F) and Mycalex (900° F) are available upon request.
PM100 PM101 PM102
PM103 PM104 PM105
Ordering Information
 

-
-
-
Design Number   Termnation Number (Table 1)   "L" Dimensions   "A" Dimensions

Blank Bolts
CATALOG # LENGTH
BB100-3 3"
BB100-6 6"

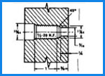
Adjustable Melt Top Thermocouple
AM100


Recommended Drilling
The standard assembly consists of an 1/8" O.D. MgO insulated, type "J" Thermocouple in a Stainless Steel Sheath. The body is stainless steel with a 1/2" -20UNF-2A thread. A Thermal Barrier reduces heat transfer from body to Thermocouple. Other parts include a Packing Seal, Compression Barrel Nut, hex Adjusting Screw, and a Polarized Quick Disconnect Male Plug. Standard Immersion is adjustable from flush to 1". Standard body lengths are 3" and 6" measured from the beginning of wrench flats to the bolt tip. The adjustable Plastic Melt Thermocouple has a movable probe actrivated by an inner screw mechanism. The probe can be immersed into or withdrawn from the plastic melt stream while the extruder is in full operation at maximum flow rates and pressures. This feature permits temperature measurement at various depths in the melt stream, eliminates thermocouple breaking at start-up and prevents hang-up. As it is retracted into the body, any film formed on it is scraped off.
Ordering Information
 
AM100-
 
 Specify "L" Dimension
AM 200
The AM200 Adjustable Melt Thermocouple features an all Stainless Steel construction and utilizes a Compression Fitting as the mechanism for adjustment. The AM200 allows for easy and economical replacement of the mineral insulated Thermocouple element.
Ordering Information
 
AM200-
-
 Specify "L" Dimension    Specify "B" Dimension
(Maximum Immersion Depth)

Surface Mount Thermocouple
SM1 - RING LUG TYPE
"A" Leadwire is stranded conductor with fiberglass insulation and S.S. Overbraid
Termination Options Mounting Hole Options
Catalog Number Description Catalog Number Stud Size Hole Diameter
0 2 1/2" Split Leads A NO. 6 .144
1 Spade Plugs B NO. 8 .169
3 Standard Male Plug C NO. 10 .196
4 Standard Female Jack D 1/4" .266
7 Other Specify E 3/8" .390
Ordering Information
 
SM1-
-
-
Termnation Number   "A" Dimension
(Lead Length)
  Mounting Hole No.

SM2 - GASKET TYPE W/ BRACKET
"A" Leadwire is stranded conductor with fiberglass insulation and S.S. Overbraid
Termination Options Mounting Hole Options
Catalog Number Description Catalog Number Stud Size Hole Diameter
0 2 1/2" Split Leads A 1/4" 9/32"
1 Spade Plugs B 5/16" 11/32"
3 Standard Male Plug C 3/8" 13/32"
4 Standard Female Jack D 7/16" 15/32"
7 Other - Specify E 1/2" .17/32"
Ordering Information
 
SM2-
-
-
Termnation Number   "A" Dimension
(Lead Length)
  Mounting Hole No.

Nozzle Thermocouples
NT-1 Nozzle Thermocouple w/ Rotating Bolt
"A" Leadwire is stranded conductor with fiberglass insulation and S.S. Braid
Termination Options Bolt Options
Catalog Number Description Catalog Number Description
0 2 1/2" Split Leads S 1/4 - 28
1 Spade Plugs Y 6 MM
3 Standard Male Plug Z 8 MM
4 Standard Female Jack    
7 Other - Specify    
Ordering Information
 
NT1-
-
-
Termnation Number   "A" Dimension
  Bolt Size

NT-2 Nozzle Thermocouple w/ Fixed Immersion
"A" Leadwire is stranded conductor with fiberglass insulation and S.S. Braid
Termination Options Bolt Options
Catalog Number Description Catalog Number Description
1 Spade Plugs SS S.S. Overbraid
3 Standard Male Plug FH S.S Armor Cable
7 Other - Specify    
Ordering Information
 
NT2-
-
-
Termnation Number   "A" Dimension
(Lead Length)
  Leadwire Option

Extension Assemblies
Standard assemblies are manufactured with fiberglass insulated Thermocouple Wire and Stainless Steel Armor protection. Standard Calibration is Type J. Other calibrations and special connectors are available upon request.
Design Number Termination Description Style
30001
  1. BX Connector w/ Spade Lugs
  2. Standard Male Plug
30002
  1. Standard Male Plug
  2. BX Connector w/ Spade Lugs
30003
  1. Standard Female Jack
  2. BX Connector w/ Spade Lugs
30004
  1. Standard Male Plug
  2. Standard Female Jack
30005
  1. Standard Male Plug
  2. Standard Male Plug
30006
  1. Standard Female Jack
  2. Standard Female Jack
Ordering Information
 
NT2-
-
   
Design Number
"A" Dimension
  Specify in Inches
   

General Use Thermocouples
General Use Thermocouples are designed for economical use in a wide variety of applications up to 800° F. Sheath Material is 304 Stainless Steel, Type J (Iron-Constantan) Calibration is standard. Other calibrations available on request.
GU100 GU101
Ordering Information
 
NT2-
-
-
Design Number
  "L" Dimension
  Specify Diameter .125
.188
.250
 

GU102
Leadwire Options* Termination Option
Catalog Number Description Catalog Number Description
A Fiberglass 0 2 1/2" Split Lead
B Fiberglass/S.S. Braid 1 Spade Lugs
C Fiberglass/S.S. Armor 3 Male Plugs
D Teflon (400° F MAX) 4 Female Jack
    7 Other - Specify
Ordering Information
G102

-
-
-
-
"L" Dimension   Diameter .125
.188
.250
  "A" Dimension   Leadwire Type   Termination

Plastic Nozzle Thermocouples
NN1
"A" Leadwire is 24 auge Solid Conductor with Fiberglass Insulation and Stainless Steel Overbraid.
Catalog Number Description
0 2 1/2" Split Lead
1 Spade Lugs
3 Standard Male Plug
Ordering Information
 
NN1-
-
   
Termnation Number   "A" Dimension

   

Shim Stock Thermocouples
ST
Pad Options
Catalog Number Description
S 3/4 X 3/4 X .007 Thick
P 1" X 1" X .032 Thick
B 1" X 1 1/2" X .055 Thick
Termination Options Leadwire Options
Catalog Number Description Catalog Number Description
0 2 1/2" Split Lead FB Fiberglass
1 Spade Lug SS Fiberglass/S.S Braid  
3 Male Plug FH Fiberglass/S.S. Armor  
Ordering Information
 
ST-
-
 
-
Termination
  "A" Dimensions
(In Inches)
  Leadwire Option   Pad Option

Pipe Clamp Thermocouples
"A" Dimension is Stranded Conductor with fiberglass insulation and Stainless Steel Overbraid
Termination Options "D" Dimension Options
Catalog Number Description Catalog Number Adjustable Dimensions
0 2 1/2" Split Lead N 1/2 to 7/8
1 Spade Lugs IH 7/8 to 1 1/2
3 Standard Male Plug 2D 1 5/16 to 2 1/4
    3E 2 3/4 to 3 5/16
    4D 3 5/16 to 4 1/4
    5D 4 1/4 to 5 1/4
Ordering Information
 
PC-
-
-
Termnation   "A" Dimension

  "D" Dimension

Pipe Clamp Adaptors - PCA
Catalog Number Adjustable Dimensions
N 1/2 to 7/8
IH 7/8 to 1 1/2
2D 1 5/16 to 2 1/4
3E 2 3/4 to 3 5/16
4D 3 5/16 to 4 1/4
5D 4 1/4 to 5 1/4
 
Ordering Information
 
PCA-
Adjustable Dimension        

Thermocouple Connectors
Male Plug Female Jack Circular Panel Jack
Calibration Color Plug Number Jack Number Circular Jack
J Black 09001 10001 11026
K Yellow 09002 10002 11027
T Blue 09003 10003 11028
E Purple 09004 10004 11029
R/S Green 09005 10005 11030
CU White 09008 10006 11031
* Standard Temperature Rating is 400° F. High Temperature available at 550° F.

Thermocouple Accessories
Bayonet Adapters Cable Clamp
Catalog Number "A" Length Thread Size
19002-1 7/8 1/8 - 27 NPT
19002-2 1 3/8 1/8 - 27 NPT
19002-3 1 1/2 1/8 - 27 NPT
19002-4 2 1/8 - 27 NPT Type CAT. Number
19002-5 2 1/2 1/8 - 27 NPT Leadwire 11005
19002-6 3 1/4 1/8 - 27 NPT Armor 11006
19002-7 7/8 3/8 - 24 NF  
19002-8 1 1/2 3/8 - 24 NF  
19002-9 2 1/2 3/8 - 24 NF  
19002-10 3 1/4 3/8 - 24 NF  
       
       
       

Panel Jack Strips
Panel "A" Length Number of Circuits Cutout Dimen. "C"
1 1/2" 2 1 5/16"
2 1/4" 3 2 1/16"
3" 4 2 13/16"
3 3/4" 5 3 5/16"
4 1/2" 6 4 5/16"
5 1/4" 7 5 1/16"
6" 8 5 13/16"
6 3/4" 9 6 5/16"
7 1/2" 10 7 5/16"
8 1/4" 11 8 1/16"
9 12 8 13/16"



Home | Overview | Capabilities | Contact Us | Site Map

Hampton Controls, Inc.
Wendel Road • P.O. Box 187
Wendel, PA 15691
Phone: (724) 861-0150 • Fax: (724) 861-0160
sales@hamptoncontrols.comwww.hamptoncontrols.com

Copyright © Hampton Controls, 2005. All Rights Reserved.