| |
The Vari Speed® S1000
is a high-performance DC motor speed control designed for maximum
reliability in 1/20 to 2 HP applications. The surface mount technology
incorporated into the design reduces package size and improves reliability...
creating a savings in both cost and space for you.
| Options |
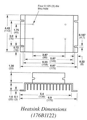
Heatsink: 176B1122
For use in higher horsepower applications. |
|
Plug-on Terminal:
The plug-on terminal board provides easy wiring for standard
14-20 AWG wire.
Refer to drawing for proper terminal wiring. Note: Wiring
to terminal board before installation to Vari Speed S1000
may simplify procedure.
Terminal board part numbers:
176B1113, 120 VAC, 45 Deg. Terminal Block
176B1129, 120 VAC, 90 Deg. Terminal Block
176B1114, 240 VAC, 45 Deg. Terminal Block
• 176B1130, 240 VAC, 90 Deg. Terminal Block
|
Potentiometer Kit: 176B1121
Includes a 5 K ohm, 1W pot, and mounting hardware. |
Current Sensor Resistor:
Plug-on design allows for easy field modification
Refer to ratings chart for correct part number |
| Design Features |
Customer Benefits |
| Surface mount technology reduces size and improves
reliability |
Less costly enclosures and increased uptime |
| Current limit and run LED indicators |
Reduced set-up time and decreased downtime |
| Unique circuitry virtually eliminates temperature
and voltage drift |
Precise control |
| Horsepower selectable via plug-in resistor permits
component standardization |
Reduced inventory |
| User-selectable inhibit control for operation
with open or closed contact |
Allows logic flexibility and convenience |
| Run/Stop logic control circuitry |
Eliminates need for costly power switching components |
| Exclusive two-year replacement warranty |
No service hassles |
| UR/cUR recognized |
|
|
|
|

| |
| Control Specifications |
Service factor: 1.0
Duty: continuous
Overload Capability: 150%
for one minute
Speed Regulation:
±2%
of base speed (for 95% load change)
±1% of
base speed due to line voltage fluctuation
Speed Range: 50:1 at full torque
Speed Input:
5K
ohm potentiometer 1 watt
0-5 or 0-10 VDC process
signal, (must be isolated)
Adjustments:
Minimum speed (0-50% motor base speed)
Maximum speed
(50-110% motor base speed)
Current (torque) limit
(10-150% control rating)
IR compensation (0-25% rated
output)
Acceleration (0.5-15 sec.)
Deceleration
(0.5-15 sec.)
AC Line Voltage Variation:
Rated voltage (±10%)
AC Line Frequency: 48
to 62 Hz
Ambient Temperature:
32°F to 131°F; (0°C to 55°C)
Elevation:
Up to 3,300 ft. with derating |
|
|
|