|
|
|
Repair,
Calibration, and Control Panel Design Services |
|
Repair Services |
 |
| We
repair any Industrial Instrument or Control. Service Daily all brands,
makes, and models of imported and U.S. manufacturers of industrial
controls and instrumentation. |
- Quality Repair
Work, and Testing
- Quick Quoting
(Typically within 72 Hrs.)
- Quick Turn
Around (5-10 Working Days)
- Expedited
Service Available
- Warranty
On All Work Performed
- Save Money
Over The Cost Of New Equipment
- Free Estimates
|
| We
Repair |


We
have been serving industry for over 17 years! |
•
Temperature Controls
• Counters / Timers
• Indicators / Programmers
• Circuit Boards
• AC/DC Motor Drives
• Digital / Analog Meters
• Valve Controls
• Signal Converters
• Power Supplies
• Chart Recorders
• Flame Guard Units
• Speed Controls
• Pressure Controls
• Inverters: Phase / Power and much, much, more! |
| Manufacturers |
|
| • ABB
• Allen-Bradley
• Ametek
• ATC
• Athena
• Autonics
• Barber Coleman
• Boston Gear
• CAL
• Chromolox
• Danfoss
• Durant
• Dynapar
• Dynisco
• DME
• Eagle Signal
• Emerson
• Eurotherm
• Fast Heat
• Fenwal
• Fincor
• Fluke
• Fuji Electric
• Gammaflux
• Gemco
• General Electric
• Gentran
• Halmar Robicon
• Hampton
|
•
Honeywell
• Incoe
• ITC
• LFE
• Love
• Modutrol
• Mitsubishi
• Modicon
• Omron
• Partlow
• Payne Engineering
• Red Lion
• Redington
• Reliance
• RKC
• Robert Shaw
• RT Engineering
• Siemans
• Simpons
• Sola
• Square D
• Texas Instruments
• Veeder Root
• Vickers
• Watlow
• Wavetek
• Westinghouse
• Yokagawa and many, many, more!
|
 |
Best
service, and Best prices in the Industry! |
 |
| Send
Repairs To: |
Hampton
Controls, Inc.
Wendel Road
Wendel, PA 15691
Attn: Repair Department |
| Please
Enclose paper work including: |
Contact
Person
Reference #
Purchase Order #
Phone #
Fax # |
| Calibration
Services |
| We
offer Calibration Services for many, many items. Whether it's a temperature
controller, a thermocouple, a set of micrometers, or a pressure gauge;
Hampton Controls, Inc.'s Calibration Service is your source for quality
calibration service. |
| We
calibrate: |
 |
•
Temperature and process controllers
• Hot Runner Mold Controllers
• Chart Recorders
• Counters
• Timers
• Thermocouples
• RTD's
• Calipers
• Micrometers
• Hardness Testers
• Gauge Block Sets
• HiPot Testers
• Digital/Analog Meters
• Multimeters
• Pressure Gauges and much, much, more! |
| Calibration |
Certified:
N.I.S.T. Traceable
• 17 Years Experience
• On-Site Field Calibration Available
• In-House Calibration
• Calibration to Manufacturer's Specification
• Warranty on All Work Performed
• Calibration Recall Program
• Fast Turn-Around for In-House Calibrations
• Certificate of Traceability
• Certification of Conformance |
|
Send
To:
|
Hampton
Controls, Inc.
Wendel Road
Wendel, PA 15691
Attn: Repair Department |
|
| Please
Enclose paper work including: |
Contact
Person
Reference #
Purchase Order #
Phone #
Fax # |
|
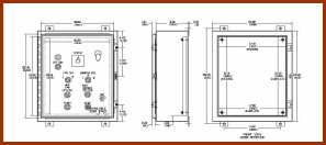
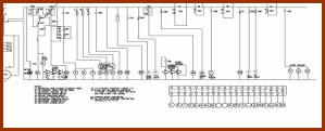
Control
Panel Design, Engineering, and Fabrication |
| From
conception to the finished product, we can fabricate a control panel
system with complete documentation for your application using the
highest quality components at a competitive price with quick delivery.
|

- Consultation,
Design, and Detail Print Drafting Using AutoCad
- Project
management from Design Through Start-Up
- Panel Building
Through Complete Assembly and Installation of Control Systems
- Programming
to Meet Your Exacting Operational Requirements
- Technical
Manual Writing and Production
|
Temperature
Control (Heating/Cooling) Panels
• Multiple Zones
• High/Low Limit
• Ramp/Soak Programming
• Up to 3150 Amps, 600V
Pressure Control Panels
• Monitoring/Controlling
• Proportional I/P System
Automation Control Panels
• PLC Panels
• Logic Panels
• Monitoring Panels
• Alarm Panels
Motor Control Panels
• Speed Control
• Follower Panels
• Drive Panels
• Soft Start Panels
• Solid State Motor Control Panels
Many Others... |

 |
Call Today!!
Toll Free: 1-800-437-2664
|
|
|
Control
Panel Options |
Voltage/Currents
• 120V 1-Phase 50/60 Hz
• 240V 1-Phase 50/60 Hz
• 240V 3-Phase 50/60 Hz
• 480V 3-Phase 50/60 Hz
Up to 3150 Amps (All Voltages)
Cooling Systems
• Vent Natural Convection
• Air Conditioned up to 22,000 BTU
• Vortex Compressed Air Chiller Up to 5,000 BTU
Features
• Clear Safety Cover High Voltage Devices
• Optional Door Window (Nema 4)
• Optional Paint Color
• Internal Wire Duct
• Clearly Labeled Terminal Blocks
• Heat Shrinkable Permanent Wire Labels
• Custom Labeling
• Custom Manufactured Accessories
|
Cabinets/Enclosures
• Free Standing
• Wall Mount
• Console
• Rack
• Custom
• Nema 1, 3, 3R, 4, 4X, 6, 7, 12, 13
Power Devices
• Magnetic Contactors
• Mercury Relays
• Solid State Relays (Up to 100A)
• SCR's (Up to 1200A), Phase Angle/Zero Cross
• Motor Starter
• Soft Start Motor Starters
• AC
Inverters
• DC Motor Drives
• Customer Supplied Parts
|
|