Hampton Controls
Hampton Controls
Industrial Controls Divsion
Products by Category
Temperature & Process Controllers
Recorders
Flow Meters
Electric Process Heaters
Thermocouples & RTD's
Motor Drives & Motors
Hot Runner Mold Temperature Control Systems
Counters, Timers, Encoders & Power Supplies
Proximity Sensors
Relays & Contactors
Pushbuttons & Switches
Repair & Calibration
 
Electro Optics Division
 
Overview
Capabilities
Portfolio
 

Vari Speed® A2000 Series

 

 

The Vari Speed® A2000 is compact, rugged, reliable and flexible. Available in 1/2 - 3 HP control rating configurations, the Vari Speed A2000 Series incorporates surface mount technology to reduce package size and improve reliability.

The Vari Speed A2000 may be ordered with isolation, NEMA 12 or NEMA 4 Enclosures.

  • Compact, extremely rugged speed drive for standard permanent magnet or would-field DC motors
  • 120 or 240 VAC line input
  • Nine models rated for 1/8 to 3 HP
  • Available in chassis, NEMA 12 or NEMA 4 enclosure
  • LED status indicators for Power On, Run, and Current Limits
  • Chassis units are UL and cUL listed

 

Specifications
Horsepower Range 1/8 - 1 (120V); 1 - 3 (240V)
Line Voltage 120/240; 1 phase
Output:
     Armature Voltage (VDC)
     Field Supply (VDC)

0-90 (120V); 0-180 (240V);
50/100 (120V); 100/200 (240V)
Speed Range:
     Armature Feedback
     Tachometer Feedback

50:1 at full torque
200:1 at full torque
Speed Regulation:
     Armature Feedback
     Tachometer Feedback

±2% of base speed (for 95% load change)
±1/2% of set speed (for 95% load change)
Ambient Temperature 104°F (40°C) enclosed;
131°F (55°C) chassis
Control Adjustments:
     Minimum Speed
     Maximum Speed
     Range (% control rating)
     Acceleration
     Deceleration
     IR Compensation
     Current Limit

0 to 50% control rating
50 to 110% control rating
isolation optional

0.5 to 5 seconds
0.5 to 5 seconds
Adjustable (0-25% of rated output)
10-150% control rating
Inputs:
     Process Signal Input
     Tachometer Feedback
     Tachometer Follower

Optional
20.8 V/1,000 RPM
Optional
Process Output Optional, speed follower
Potentiometer 5K ohm, 1W potentiometer item 176B1121 available as option
Reference Supply Voltage 10 Volts
Status Indicator LEDs for Power On, Run and
Current Limit Status
UL/cUL Listed Chassis configurations only

 

 

 

Vari Speed® A2000 Series
 

A2000 configurations: (clockwise from lower left) Stand Alone, Enclosure, Heatsink, and Plate

 

DC Motors

Permanent magnet DC motors are optimized for use with Vari Speed A2000 Series DC controls. All motors are in stock for prompt delivery.

  • Designed to industry-standard NEMA frame sizes
  • 13 models rated from 1/8 to 5 HP
  • Easy access to brushes for quick brush replacement
  • Non-vented and fan-cooled versions
  • UL recognition on all modes; most models cUL rated

 

Options
All options can be installed in the field.

AGB0: Provides isolation of non-isolated inputs and allows multiple A2000 controls to be controlled by a single process signal plus isolation open collector with adjustable time delay for current limit indication, and a speed follower output signal when used with a tachometer.

176B1121, 5K OHM, 1W Potentiometer

AC000 NEMA 12 enclosure with:
• Run/Jog/Stop switch
• Indicators for Power On, Run and Current Limit

 

Operating Conditions
AC Line Voltage: Rated voltage ±10%
AC Line Frequency: 48 to 62 Hz
Elevation: Up to 3,300 ft. without derating

 

 

 

 

Selection
A2000
Configuration
Chassis
Part
Number
HP
Line
Voltage
Rated
AC Line
Amperes1
Input
kVC
Rated DC
Armature
Voltage2
Armature
Current
(amps)
Field
Voltage
Field
Current
(amps)
Stand Alone
176B6016
1/2
120
8 to 10
1.0
0-90
6.8
50/100
1
Stand Alone
176B6019
1
240
8 to 10
2.0
0-180
6.1
100/200
1
Plate
176B6014
1/2
120
8 to 10
1.0
0-90
6.8
50/100
1
Plate
176B6017
3/4
120
10 to 15
1.5
0-90
9.6
50/100
1
Plate
176B6018
1
240
8 to 10
2.0
0-180
6.1
100/200
1
Plate
176B6020
1-1/2
240
10 to 15
2.5
0-180
8.3
100/200
1
Heatsink
176B6010
1
120
15 to 20
2.0
0-90
12.2
50/100
1
Heatsink
176B6021
2
240
15 to 20
4.0
0-180
10.8
100/200
1
Heatsink
176B6022
3
240
20 to 23
5.0
0-180
16.0
100/200
1
1Does not include motor field current where used.
215% extended voltage capability standard

 

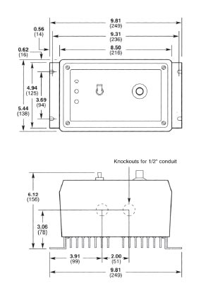
Enclosure Dimensions

Enclosure Dimensions Diagram

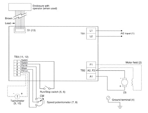
A2000 Wiring Schematic

Hook Up Diagram

Hook-up Diagram (standard and enclosed units)

Motor overload protection must be provided by the equipment
manufacturer or person installing controls per NEC.

 


Chassis Dimensions

Chassis Dimensions Diagram

Performance

Performance: Speed/Tourque Diagram Performance: Speed Range/Regulation Diagram



Home | Overview | Capabilities | Contact Us | Site Map

Hampton Controls, Inc.
Wendel Road • P.O. Box 187
Wendel, PA 15691
Phone: (724) 861-0150 • Fax: (724) 861-0160
sales@hamptoncontrols.comwww.hamptoncontrols.com

Copyright © Hampton Controls, 2005. All Rights Reserved.